はじめに
Soldanoというアンプがあることは知っていたが、これまでほとんど縁がなかった。それでも何で知っていたかというと、友人に特注もののSoldanoのアンプを持っている人がいたからだ。彼のSoldanoは豪華にもキャビネットは全面ヘビ皮ばりで、その中身はエリック・クラプトンが使っていたのと同じものだそうだ。むかし、その友人宅に遊びに行ったとき、このSoldanoに65年のストラトをつないで弾かせてもらったことがあるのだが、えらくいい音でびっくりした記憶がある。
このSoldano、ずっと忘れていたのだが、あるときふとあの音を思い出し、それで、ほんの気まぐれにSoldanoの回路をネットであさって、ほとんどそのまま仮組みしてみた。それで、自分のムスタングをつないで鳴らしてみたら、おー! すごくいい音ではないか、ビックリ! Soldanoって実際は近代ハイゲインアンプらしく、ブルースギタリストの自分はあんまり関係ないと思ってたけど、やっぱりそんなことぜんぜん無く、再認識した。
と、いうことで、ここで、Soldanoの回路を組んで、鳴らして、測定などして、原理解明などもするプロジェクトを始めようと思う。Sondanoは、これまでの自分が手がけてきたFender基準の典型的な回路ともいろいろ異なっていて、いわゆるハイゲインアンプで特徴的な回路が使われており、なかなか勉強になり、面白い。
今回のSoldanoの回路
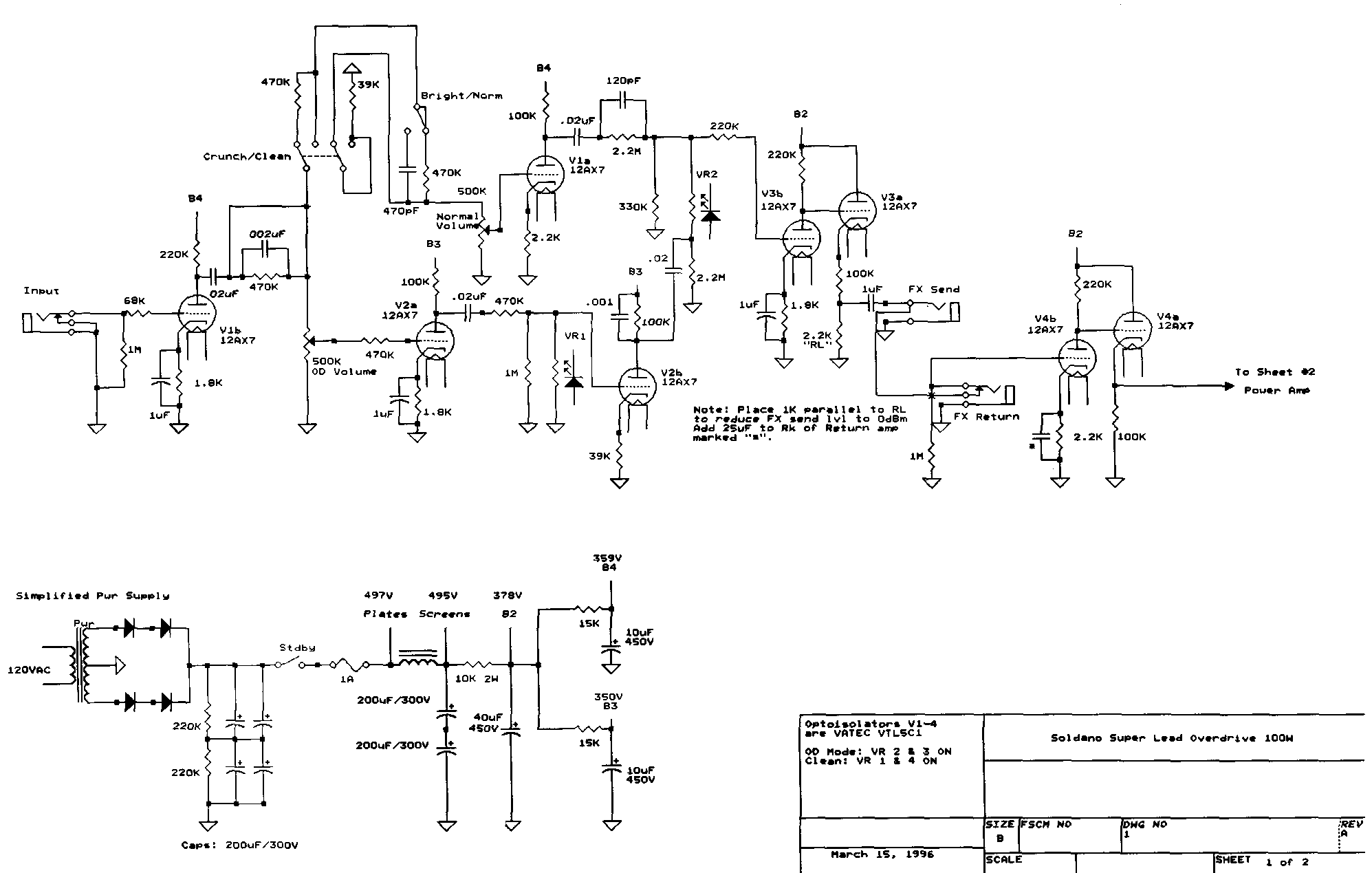
まず、今回仮り組みした回路は以下の通りである。赤い数字は各部の電圧の実測値である。
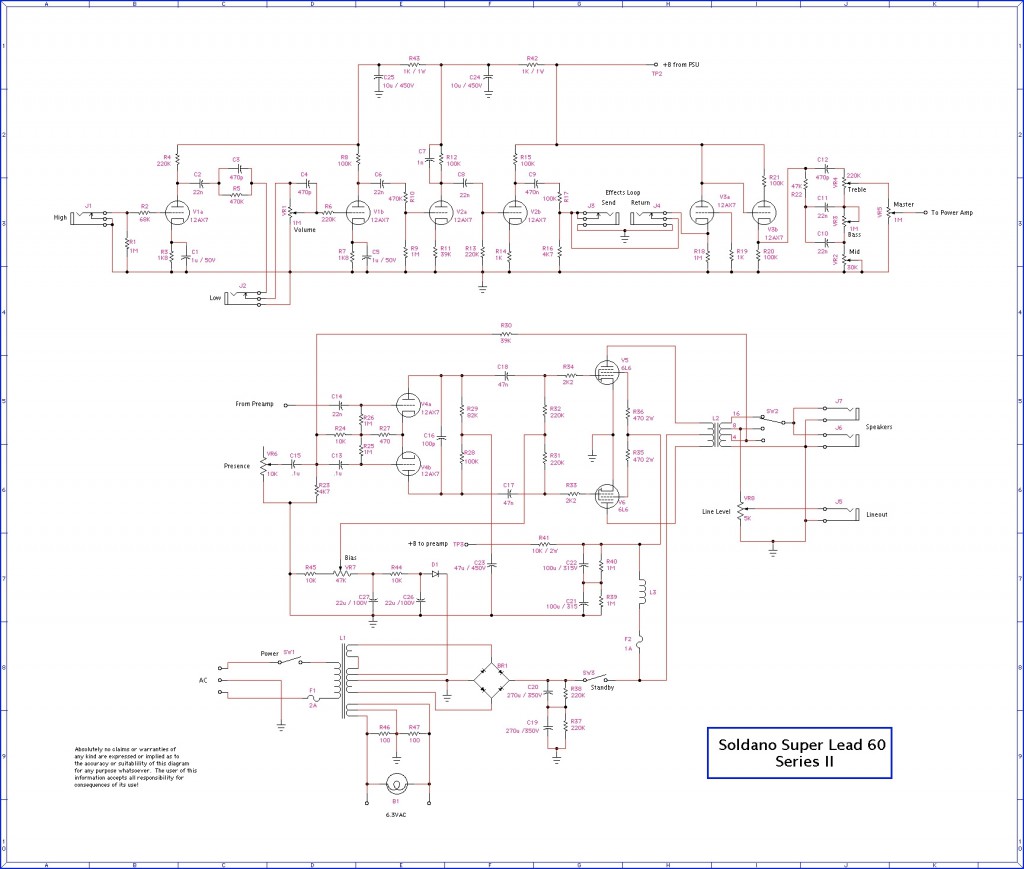
この回路を決めるにあたって今回参考にしたSoldanoのアンプは、「SLO-100」と「SUPER LEAD 60」の二つで、回路図は以下である。相変わらずでかくて見にくいが、後々のためにちゃんと載せておく。図をクリックして行けばオリジナル解像度で見られる。
■SLO-100:
■Super Lead 60:
今回は、まずプリアンプ部だけ組み上げて、その出力を仮に組んだ12AU7単管の0.2Wパワーアンプに突っ込んでギターアンプ用のスピーカーをつないでテストしてみた。それにしても、たった0.2Wでも6畳ぐらいの部屋でちょうどいいぐらいの音量になり、スピーカーの能率がいいと部屋弾きでうるさいぐらいである。「ハイゲインミニギターアンプ」って いう、よく分からんチューブアンプになっているわけだ。
ま、それはそれとして、このプリアンプ部に低周波信号発生器の信号を入れて、手持ちの韓国製の安物3万円オシロがあるので歪の様子を見て周波数特性なども測定してみようというわけだ。
あと、ミクシィのコミュニティで教えてもらったのだが、Soldanoはプリアンプだけ、というのも出しているそうだ。 以下である。
■SOLDANO Supercharger G.T.O.
これは一種のエフェクターとして使う代物のようだが、回路を見てみるとSoldanoのアンプのプリアンプ部そのままを取り出したものである。今回、はちょうどプリアンプ部だけ紹介するので、このSuperchargerを解析しているようなものである。
後々は、このプリアンプの後に小出力パワーアンプをくっつけて一体にしてミニアンプの製作記事でも書こうと思うが、今回のこの記事は、調査中心でちょっと専門的でマニアックで行ってみようと思う。
エレキギターの出力
さて、手持ちの低周波発振器の正弦波を入れてこれからオシロで見たりして行くわけだけど、たとえば、初段の12AX7に3Vppとかの信号入れてプレートの出力を見ると1段増幅だけで140Vppとかいうばかでかい信号が出てくる。まあ、12AX7の増幅器は50倍ぐらいなんで当然なんだけど、いやー、しょっぱなから、でかい!
ところでエレキギターの出力ってどれくらいだか、ご存知だろうか? 実は自分もよく知らない。
せいぜいピークで1Vか2Vぐらいかなあ、とかテキトーに想像してたのだが、いろいろ調べてもよくわからず、実際にオシロにエレキ出力を突っ込んで、ベンッベンッとかジャーンとか弾いて波形を見てみた。
もちろん正弦波じゃないんでよく分からないのだが、どうやら、思いっきりピークのときで、シングルコイルで1Vpp、ハムバッカーで2Vppぐらいみたいだ。
以上あまりにバカっぽいやり方なんだが、へーえ、そんぐらいなんだ、と思った。もし、このていどであれば、12AX7初段ではピークであっても ほとんど歪まないはず。思いっきりハイファイ増幅で、初段出力には100Vppぐらいのエレキギター生の増幅信号が出てくる、ってことになる。
初段の後にすぐGAINのVRが入るが、この信号のでかさから言って逆に2段目以降ではGAINをちょっと上げれば余裕で歪むことも分かる。
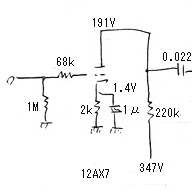
初段
手段は右のような回路である。まず、初段のゲインを測ってみた。そうしたら
55
だった。真空管はSOVTEKの12AX7WAである。出力の波形を見てみると、入力が3Vppぐらいから徐々にサインカーブの形が甘くなるが、4.5Vppでも、上下の頭がいくらか丸くなるていどで、それほどは歪まない。4.5Vp-p以上は手持ちの発振器(って、PCなんだが。。)が出ないので分からない。
それにしても、オーディオ真空管アンプのセオリーでは、グリッドの電圧が-0.7Vより大きくなるとグリッド電流が流れ始め、そのせいで歪んでしまうので使えない、と普通に書いてある。しかし、ここの12AX7の初段では、3Vpp入れてもほとんど歪まない。バイアスが1.4Vなので正弦波の片側はピークで+0.1Vまで上がっているはずなのにである。
ということで、このグリッド電流による歪みも、信号源のインピーダンスや真空管によってずいぶん事情が違うはずで、一概に-0.7Vという数値を信じなくてもいいようである。オーディオの世界では歪みは無条件に悪なので、ほとんど反省せずに-0.7Vを守ってフェールセーフで設計するので、こういう認識は無いのが普通だと思うのだけど、実際はそれほど単純じゃないのが、ギターアンプをやっているとわかるのが面白い。
さて、お次は初段の周波数特性である。
カソードバイパスコンデンサが1μFと小さいせいで低域が落ちる。160Hzぐらいで0.9倍(-1dB)になり、20Hzぐらいでだいたい半分(-6dB)になっている。 このカソードバイパスコンデンサによる低域落ちについては、こちらで詳しく書いてますのでどうぞ。
次に高域特性だが、グリッドに直列に68kΩの抵抗が入っていて、これが12AX7の入力容量とハイカットフィルタを構成し、これにより高域が落ちる。2.2kHzで-1dB(0.9)、10kHzで-3dB(0.707)、20kHzではおよそ半分(-6dB)になっている。
このグリッドに直列に入る抵抗だが、この後の段でもグリッドの入力部分に220kや470kとかけっこうでかい抵抗がシリーズに入っていて、これでかなり高域が落ちる。この抵抗は、意識的に高域を落としているという意味もあるだろうが、高域の発振止めや、放送電波の入り込みなどを防止する意味もある。
2段目
GAINのVRの後の12AX7である。
グリッドの470kの手前(VRの出)に4Vppを入れて測ると、出力が160Vppでゲインは40である。入力が4Vppを超えると上下ほぼ同時に歪み始める。右の写真は、入力に8Vppを入れたときの出力で、見ての通り上下にクリップしている(上が入力、下が出力、出力は190Vpp)
周波数特性は、面倒でちゃんと測っていなのだが、初段で書いたように、グリッドの抵抗で高域が落ちている。ここは470kというでかいのが入ってるんで、 けっこう落ちる。ざっと見てみたら5kHzぐらいでもう落ちている。12AX7の入力容量は100pF~150pFぐらいのようなので、計算上もそのあ たりになる。(f = 1/2πCR)
あと、例によってカソードバイパスコンデンサが1μFと小さく、ゆるやかに低域が落ちる。これは初段と一緒である。
3段目
この3段目はSoldanoで特徴的な回路である(他のアンプにもあるのかもしれない)。以下のような変な特徴のある回路だ。
(1)カソード抵抗が39kΩとやたら大きい
(2)しかもバイパスコンデンサがついてない
(3)プレート抵抗の100kΩの両端になぜか0.001μFのCがついてる
まず(1)だが、カソード抵抗がやたらでかいせいでバイアス電圧は大きく、実測で4.2Vぐらいで、いわゆるカットオフ領域に近いあたりで真空管を使っている。カットオフについてはここの解説を参照していただきたい。このページの図の、「バイアス点による歪みの発生」というやつの(C)点をバイアスにした状態で、この場合、出力波形は片側が歪む。検波回路みたいな感じになるのである。
グリッドの470kΩの手前に信号を入れると10Vp-pを超えると歪み始めるが、右の写真は30Vppを入れたときの出力波形である。みごとに上側がつぶれている。
次は前述(2)だ。でかいカソード抵抗にバイパスコンデンサがついてないのでゲインはいちじるしく落ちる。計算式はここにある。ここではおまけにカットオフ近くなので真空管そのものの電圧増幅率μも規格の100より低く、ダブルで増幅率が落ちる。
実測するとグリッドの470kΩの手前に10Vpp(グリッドのポイントでは6.7V)を入れたとき出力が14Vppで、ゲインは2ぐらいで、ずいぶんと、小さい。
最後に(3)だが、これは実はよく分からない。周波数特性に利くはずだが、測定してない。原理的に言えば、高域が落ちる。発振止め、という説もあるが、この回路で発振というのも考えにくいかも。
あと、ついでだが、この3段目の入力のところに470kが直列に、1Mが並列に入っているが、ここで信号レベルが分圧されて 2/3(=0.67)になる。たかだか0.67倍ていどのレベル落ちで、あんまり大勢に影響ない気がするので、なんとなく謎。
以上、変な3段目で、謎が多い。ただ、検波回路みたいな片側カットの出力を出すので、それが歪のトーンに影響する感じは、ある。ただ、これは後ほど書くが、ここで片側歪するよりはるかに先に、4段目で両側クリップしてしまうので、この非対称な波形は最終出力にはあんまり出て来ないみたいである。
4段目
4段目はふつうの回路だが、カソードにバイパスコンデンサが入ってないのでゲインは落ちる。ただ、ここのカソードバイパスコンデンサはSoldanoでは入っている機種もあるので、何ともいえない。実測するとグリッドの220kΩの手前に6Vppを入れると出力が150Vppで、ゲインは25であった。それで、この6Vppを超えると上下同時に歪み始める。
それから、入力6Vppで上下クリップ歪んじゃうんだが、この前の3段目の変な回路での歪始めのときの出力(つまり、4段目の入力)が14Vppだったから、3段目で歪むより先に4段目で上下クリップしてしまう。なので、実は、3段目でせっかくお茶目に片側歪した怪しい波形も、その形が出力に出る前に4段目で上下クリップしちゃうので、最終出力にはあんまり出てこない。もちろん、だからといって音に全然影響しない、というわけじゃないが。
どこでどう歪むのか
さて、歪み方については、前述と同じようなことが2段目と3段目でも言えていて、2段目が歪み始めるよりはるかに先に3段目が歪み始める。
ここでまとめると、GAINのVRを上げて行くと、まず4段目で上下クリップ、次に3段目で非対称クリップ、最後に2段目で上下クリップ、となって行く。
2段目で上下クリップし始めるころには、4段目で激しく上下クリップしているので、ほとんど方形波になっている。
あと、GAINのVRより前の初段だが、ここは、ギターの出力レベルで言うと、ピッキング時のピーク時の信号がつぶれる程度で、ピーク以外ではほぼ無歪みでギター信号を増幅する。
さて、以上、これらの歪みの推移の様子は、ただのサイン波形で検討しているので、実際のギター信号のどこがどう歪んでどんな音になるかは、まーったく分からない (って、何のための解析だ~ww)
歪みだけでなく、さらに、以下の周波数特性操作が各所に入っている
・カソードバイパス1μFによる、ゆるやか低域落ち
・段間の0.022μFによる、低域落ち
・2段目の手前の470kと0.002μの高域強調
・3段目の負荷抵抗両端の0.001μの高域落ち
・1,2,4段目のグリッドに入った抵抗と球の入力容量による高域落ち
これらが、各ステージで複雑に作用するので、実際の話、起こっている事態を正確に把握するのは、なんか不可能っぽい。 結局、このへんの回路の組み方や、CやRの値の選び方などなど、というのは、職人的カン(カンが嫌なら経験)による調整のたまものなのかもしれない。。。
Soldanoミニアンプ構想
今回はかなり専門的でマニアックな回路解析の話だったけど、次回は製作記でも載せることにしよう。
そうそう、自分はFuzz Faceを自作してそれを現用歪みに使ってるのだが、このFuzz Faceの2つのトランジスターの回路が、非対称歪み使ってるみたいなのである。Tr1のバイアスがずれてて片側歪みを起こし、この非対称信号をTr2に 送り込んでハードに上下クリップさせる、という原理なのである。この原理がこのSoldanoに似てるのもなんだか面白い。
さて、今のところの構想では、今回の、この回路の後にSondanoタイプのトーンコントロールとマスターボリュームつけてその後に、ミニアンプのパワー段をくっつけて「Sondano型ハイゲインミニアンプ」っていう変なコンセプトに基づくギターアンプにするつもりである。
ミニアンプのパワー段だが、12AU7を一本で0.5Wぐらい、あるいは12BH7を一本で1Wぐらいとも思ったが、どうも3極管を パワーに使うのはギターアンプセオリー上異質なんで、5極管かな、と思うと、6BM8はどうかな、などと思っている。これでパワーは2Wぐら い。
でも、うーん、Sondanoのプリアンプに6BM8って、カッコわりーー!!www
なんか、6BM8ってオーディオ畑では「初心者用の球」というイメージが出来てしまっていて、なんかショボイイメージなんだよね~ でも、たしか国内メーカーかなんかのギターアンプで6BM8を使った練習用アンプって、どっかで発売してたはずだけど。でも、やはり、もちろん練習用で、初心者用っぽいのは確か。
以上の先入観をものともせずに、12AX7を2本、6BM8を一本でコンパクトな「Sondano型ハイゲイン2Wミニアンプ」を作るってのは、製作記事的には悪くないかも。
もちろん、6BM8に入る前の、マスターボリュームの直後にライン出力端子を設けて、Sondanoをプリアンプとして単独使用できるようにしておけば、高価な「SOLDANO Supercharger G.T.O. 」と同じことになるので、そいつの自作ものとしても通用するわけだ。
ま、いつできるか分からないが、気長にやってみます~ ただ、以上構想は途中で変更可能性大だがwww




